Zum Hauptinhalt springen Zur Suche springen Zur Hauptnavigation springen
schneller Versand
Telefonische Beratung
Rufen Sie gerne an
Rechnungszahlung für Firmen/Behörden
Telefon: +49 (0)7362 - 919093

12V Netzteil 12V 0,4A 5W Mini Netzteil für Platineneinbau 230VAC 46x26x22mm

Produktinformationen "12V Netzteil 12V 0,4A 5W Mini Netzteil für Platineneinbau 230VAC 46x26x22mm"

12V 5Watt Miniatur Netzteil  geschlossene Bauform, Leiterplattenmontage

12V 0,42A Netzteil Mininetzteil, Ultrakompakte 5Watt Netzteil, Netzmodul für die Leiterplattenmontage oder anlöten mit Litzen. 12V Festspannungsmodul. Ultrakompaktes Miniatur Netzteil als Printversion z.B. für die Platine mit stabilisiertem 12V Gleichspannungs Ausgang

  • Kurzschluss- und Überlastgeschützt
  • kompaktes Design komplett vergossen
  • Ausgang: 12V Gleichspannung max. 0,42A = 420mA
  • Leistung: 5,04 Watt 
  • Vollbereich kompakt geschützt gegen:
  • Kurzschluss / Überlast / Überspannung
  • Kühlung: durch natürliche Konvektion
  • Isolationsklasse II

Technische Daten IRM05 :

  • Eingangsspannung: 230Vac (85-305Vac oder auch 120-430VDC )
  • Eingangsfrequenz: 50/60Hz (47...440Hz )  
  • Standby Verbrauch nach ERP / EuP kleiner 0,1W
  • Ausgangsspannung bei voller Last: 12V DC +/- 2,5%
  • Ausgangsstrom: 0...0,42A = 420mA 
  • max. Leistung: 5,04Watt
  • Überspannungsschutz Ausgang: 13,8...16,2V ( Z-Diode )
  • Wirkungsgrad: 75%
  • Restwelligkeit: 200mVpp max. (100Hz)
  • Setup/Rise Time 600ms / 30ms
  • Arbeitstemperatur: -30°....+70°C
  • Vibrationsfest bis 5G
  • Standards: IEC62368-1, UL62368-1, TUV EN62368-1, EAC TP TC 004, BSMI CNS14336-1 approved
  • EMC = Compliance to EN55022 (CISPR32) Class B, EN61000-3-2,-3
  • EMC Imunität: Compliance to EN61000-4-2,3,4,5,6,8,11
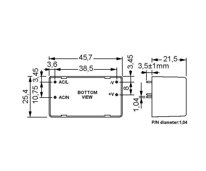
  • Abmessungen: B:45,7mm x T:25,4mm x H:21,5mm
  • Anschluss über Printlötstifte Länge ca: 3,5mm
  • RM der Lötstifte/Pins: Input: 10,8mm / Ausgang: 8,00mm /
  • Lötstifte/Pin-Durchmesser: 1,04mm
  • Pinabstand Eingang zu Ausgang: 38,5mm ( siehe Zeichnung weitere Bilder )
  • Gewicht: 33gr

0 von 0 Bewertungen

Durchschnittliche Bewertung von 0 von 5 Sternen

Bewerten Sie dieses Produkt!

Teilen Sie Ihre Erfahrungen mit anderen Kunden.


Produktgalerie überspringen

Ähnliche Artikel

12V 30W Mini Netzteil mit Schraubklemmen 91x28x40mm
12V 30W Mini Netzteil mit Schraubklemmen 91x28x40mm

12V 30W Mini Netzteil mit Schraubklemmen 91x28x40mm Minaturnetzteil Einsatz für LED Beleuchtung, Kamerastromversorgung, Industrie, Schaltschrankeinbau, Modellbau usw.  Ultrakompaktes 12V 30W Netzteil mit stabilisiertem Ausgang.  Kurzschluss und überlastgeschützt. Kompaktes Design Mini Ausführung.  Ausgang: 12V DC max. 2,5A Leistung 0 bis 30Watt belastbar ( keine Mindestlast )  Vollbereich kompakt geschützt gegen:  Kurzschluss / Überlast / Überspannung Kühlung: durch natürliche Konvektion  Isolationsklasse II  Technische Daten:  Eingangsspannung typisch: 230Vac (85-264Vac 50/60Hz )  Eingangsfrequenz typisch: 50/60Hz (47...440Hz )  Standby Verbrauch nach ERP / EuP kleiner 0,1W  Ausgangsspannung bei voller Last: 12V DC Gleichspannung  +/- 2,5%  Ausgangsstrom: 0...2,5A  Belastbarkeit 0-30W max. Leistung: 30,0Watt Überspannungsschutz Ausgang: 12,6...16,2V ( Z-Diode ) Wirkungsgrad: 88%  Restwelligkeit: 150mVpp max. Setup-, Rise-Time 1000ms / 30ms 230VAC  Arbeitstemperatur: -30°....+70°C  Vibrationsfest bis 5G 10min  Standards: UL60950-1, TUV EN60950-1,  EMC = Compliance to EN55032 (CISPR32) Class B, EN61000-3-2,-3, EAC TP TC 020 EMC Imunität: Compliance to EN61000-4-2,3,4,5,6,8,11, EN55024, heavy industry level (surge L-N : 1KV), criteria A, EAC TP TC 020 Abmessungen: L mit Klemmen: 91mm B: 39,5mm H: 28,5mm  Befestigungs-Lochabstand: 80mm  Anschluss über 4 Schraubklemmen ( 2x Eingang + 2x Ausgang )  Gewicht: 94gr

Regulärer Preis: Ab 12,95 €
Rabatt
12V Netzteil 12V 1,8A 22W Mini Netzteil für Platineneinbau 230VAC 53x27x24mm
12V Netzteil 12V 1,8A 22W Mini Netzteil für Platineneinbau 230VAC 53x27x24mm

12V 22Watt Miniatur Netzteil  Ideal für LED Beleuchtung und oder die Kameratechnik verwendbar  12V 1,8A Netzteil Mininetzteil, Ultrakompakte 21,6Watt Netzteil, Netzmodul für die Leiterplattenmontage oder anlöten mit Litzen .12V Festspannungsmodul. Ultrakompaktes Miniatur Netzteil als Printversion z.B. für die Platine mit stabilisiertem 12V Gleichspannungs Ausgang Kurzschluss- und Überlastgeschützt kompaktes Design komplett vergossen Ausgang: 12V Gleichspannung max. 1,8A Leistung: 21,6 Watt  Vollbereich kompakt geschützt gegen: Kurzschluss / Überlast / Überspannung Kühlung: durch natürliche Konvektion Isolationsklasse II Technische Daten IRM20: Eingangsspannung: 230Vac (85-264Vac oder auch 120-370VDC ) Eingangsfrequenz: 50/60Hz (47...440Hz )   Standby Verbrauch nach ERP / EuP kleiner 0,1W Ausgangsspannung bei voller Last: 12V DC +/- 2,5% Ausgangsstrom: 0...1,8A max. Leistung: 21,6Watt Überspannungsschutz Ausgang: 13,8...16,2V ( Z-Diode ) Wirkungsgrad: 84% Restwelligkeit: 200mVpp max. (100Hz) Setup/Rise Time 1000ms / 20ms Arbeitstemperatur: -30°....+70°C Vibrationsfest bis 5G Standards: UL60950-1, TUV EN60950-1, EMC = Compliance to EN55022 (CISPR22) Class B, EN61000-3-2,-3 EMC Imunität: Compliance to EN61000-4-2,3,4,5,6,8,11, EN55024, heavy industry level(surge L-N:1KV) criteria A Abmessungen: B:53 x T:27,2mm x H:24mm Anschluss über Printlötstifte Länge ca: 3,5mm RM der Lötstifte/Pins: Input: 20,8mm / Ausgang: 8,00mm / Lötstifte/Pin-Durchmesser: 1,04mm Pinabstand Eingang zu Ausgang: 45mm ( siehe Zeichnung ) Gewicht: 59g

Verkaufspreis: 11,30 € Regulärer Preis: 14,50 € (22.07% gespart)
Rabatt
12V Netzteil 12V 12W 1A für 55mm Schalterdosen 230V Unterputz LED Netzteil
12V Netzteil 12V 12W 1A für 55mm Schalterdosen 230V Unterputz LED Netzteil

12V 1A Unterputz Netzteil - Einbaunetzteil im Kleinformat für Unterputz Schalterdosen, Kameragehäuse, Modellbau, LED Beleuchtungstechnik usw. Außerdem erspart es den unschönen Anblick eines Netzteils. Was wiederum vom Kunden sehr oft und zu Recht so erwünscht wird. Miniatur 12Volt DC Netzteil Weitbereichseingang 230Vac 50Hz (100-240VAC 50/60Hz) 12V stabilisierte Ausgangsspannung (DC Gleichspannung) Belastbarkeit Ausgang: bis max. 1A = 1000mA Ideal passend für den Einbau in Unterputzdosen; z.B. 55mm Schalterdosen, Wetterschutzgehäuse usw. die Einsatzmöglichkeiten sind vielfältig Temperatureinsatzbereich: -10°....+40°C   Integr. Thermoschutz, Kurzschlußschutz Anschlüsse Litzenkabel mit Hohlstecker 5,5x2,1mm ( Center Pin + )  Schutzgrad: IP67 Abmessungen 50x48mm ( siehe auch Zeichnung weitere Bilder ) Bauhöhe nur 25mm Dieses 12V Netzteil funktioniert nicht mit Motoren für Rolladensteuerung nicht für induktive Lasten geeignet

Verkaufspreis: 14,90 € Regulärer Preis: 24,95 € (40.28% gespart)