Zum Hauptinhalt springen Zur Suche springen Zur Hauptnavigation springen
schneller Versand
Telefonische Beratung
Rufen Sie gerne an
Rechnungszahlung für Firmen/Behörden
Telefon: +49 (0)7362 - 919093

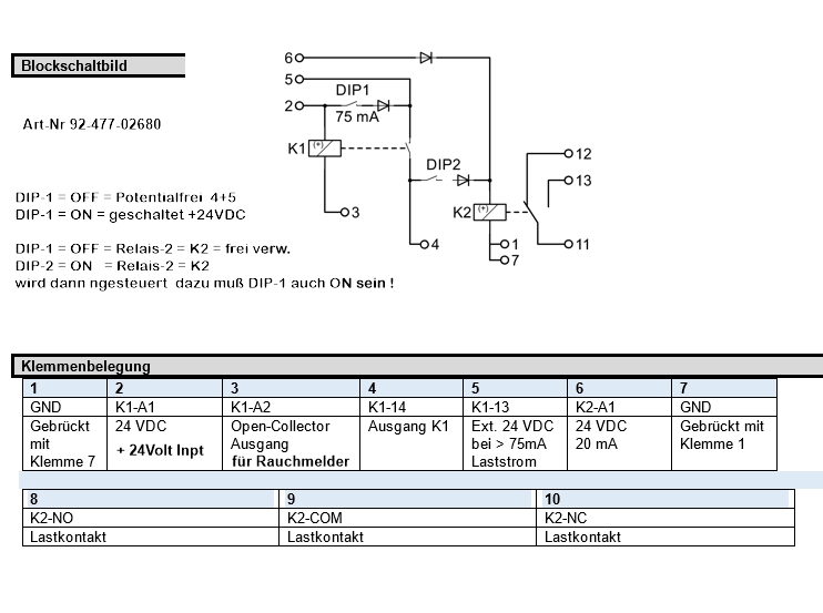
24V Relaisplatine mit 5K OPC-INP und zuschaltbarem Wechslerkontakt Ideal für die kabelgebundene Rauchmelderserie

Produktinformationen "24V Relaisplatine mit 5K OPC-INP und zuschaltbarem Wechslerkontakt Ideal für die kabelgebundene Rauchmelderserie "

Universal Relaismodul mit zuschaltbarem Wechslerkontakt + Kompaktes Univ. Relaismodul im Gehäuse ist ideal für Rauchmelder mit OpenCollector Ausgang, Steuerungsaufgaben, Alarmsystemen, Zugangskontrollsystemen usw. 

Es dient z.B. auch zur Umsetzung von OpenCollector-Ausgängen auf lastgeführte Verbraucherkreise wie Sirenen, Lampen, Türen usw. aber auch als potentialfreier Kontakt für Wählgeräte oder Auswerteeinheiten. 

Die galvanische Trennung des Steuerkreises zum Lastkreis gibt zusätzliche Sicherheit für Ihre Systeme.

Technische Daten MX1-RM-WK-2-230 : 

+ Betriebsspannung: 24V DC typisch 24V 

+ OpenCollector Eingang sehr hochohmig mit 4,6-5-Kohm somit ideal für Anwendung z.B. für kabelgebundenen Rauchmelder-Serie mit Art-Nr. 37-841-00092 + 37-841-00094 + 37-841-00096

+ Durch den integrierten DIP-Schalter können versch. Konfigurationen eingestellt werden je nach Anwendung z.B.: 

+ A) Ausgang mit potentialfreien Schließerkontakt ( 1x EIN max 2A 125V ) oder 

+ B) 24V geschaltetem Ausgang = Schließerkontakt ( 1x EIN max 2A 125V ) mit Status-LED oder 

+ C) 24V Lastrelais mit Wechslerkontakt ( 1x UM bis 10A 250VAC potentialfreier Anschluss zur freien Verwendung )

Weitere Details siehe auch weitere Bilder : 

+ geschlossenes Gehäuse mit Platine und Schraubklemmen ( Anschlussklemmen für Kabellage bis 1,5qmm ) 

+ Gehäuse mit Hutschienenclip für 35mm ( EN60715 ) Hutschienen geeignet 

+  Gehäuse ist auch für die Wandmontage geeignet da 2x Befestigungsohren bereits integriert 

+ Das Gehäuse kann auch einfach in die Zwischendecke geschoben werden 

+ Gehäusematerial ABS Kunststoff 

+ Abmessungen : - Abmessungen : 82 x 54 x 32 mm

+ Made in Germany ! 

+ Lieferung inkl. Anschlussplan

0 von 0 Bewertungen

Durchschnittliche Bewertung von 0 von 5 Sternen

Bewerten Sie dieses Produkt!

Teilen Sie Ihre Erfahrungen mit anderen Kunden.


Produktgalerie überspringen

Zubehör

Rauchmelder 12-24VDC Kabel EN54-7 optischer Punktrauchmelder mit DC-Schaltkontakt
Rauchmelder 12-24VDC Kabel EN54-7 optischer Punktrauchmelder mit DC-Schaltkontakt

EN54 Rauchmelder - optischer Punktrauchmelder - Brandmelder mit 12V..24V mit DC-Schaltkontakt und Kabelanschluß für sichtbaren Rauchpartikelinkl. Anschluss-Sockel ( Basissockel zum eindrehen ) für ihre Kabellage universell an 12V Alarmzentralen einsetzbar Optischer Punktrauchmelder für sichtbaren Rauchpartikel + konventioneller optischer Rauchmelder mit einzigartige Wirbelkammer zur Brandfrüherkennung12V oder 24V Versorgung per Kabellage Der kabelgebunde Rauchmelder ( optischer Punktrauchmelder ) ist universell an 12V... 13,8V...15V.. 18V..24V Gefahrenmeldezentralen oder auch Alarmanlagen ... BMZ... oder auch Sprechanlage mit APP einsetzbar. Bedingt auch mit externen ReedRelais oder SolidState-Relais ... oder Sirenensockel ( siehe TIPP weiter unten im Text ) Diser Kabelgebunde Rauchmelder ist universell an 12V..24V Gefahrenmeldezentralen oder Alarmanlagen... BMZ... ( Brandmeldezentrale ) und auch Sprechanlagen mit APP einsetzbar.Ein lästiger Batterieaustausch entfällt somit gänzlich, da über eine externe DC Stromversorgung versorgbar ! Der optische Rauchmelder dient zur Erkennung von sichtbaren Rauchpartikeln. Einzigartige Wirbelkammer zur Brandfrüherkennungerkennbare Testfeuer: TF-2 bis TF-5 gem. EN54-7 sowie TF-1 und TF-8 gem. ISO/TS 7240-9:2006Zur Erkennung der sichtbaren Rauchpartikel dient die optische Methode.Wenn die Rauchkonzentration in der optischen Kammer eine bestimmte Grenze überschreitet, dann wird der Melder einen Alarm auslösen.Signalisierung der Störung - Verschmutzung der optischen KammerDer Melder passt sich automatisch an allmähliche Staubablagerung in der optischen Kammer an und meldet es dann einfache Montage des Melders in dem Basissockel ( bei uns anbei ! ) Möglicher Anschluss dieser kabelgebunderen Rauchmelder sind vielfältig möglich z.B. :   A) eine optionalen 24V Signalgeber = ( einstellbarer Sirenesockel ) = Art-Nr 37-841-00098   B) Oder eine BMZ = Brandmeldezentrale = Art-Nr 79-100-00204 oder 79-100-00208  C) Alternativ freier Relaiskontakt = wenn Sie ein optionales externes hochohmiges 5-Kohm  24V DC-Relais = Art-Nr  92-477-02680 ( Platine mit zuschaltbarem Wechslerkontakt ) oder reines 5K 24V DIP-Relais ( nur Schließerkontakt ) zum verlöten = Art-Nr 47-826-00300  am Kontakt 2+3 nachschalten können Sie somit auch einen potentialfreien Kontakt weiter verarbeiten ... für Anwendungen aller Art ... sei es z.B. Smarthome, Industrie-, Torsteuerung o.ä. Anwendungen  Technische Daten:Direkter Anschluss per Schwachstromkabel4-adriger Anschluss Punktrauchmelder EN 54–7 zertifiziertoptischer Punktrauchmelder individuelle LED-AnzeigeOptische Alarmsignalisierung Der Alarm wird durch das Dauerleuchten der roten LED signalisiert um nach dem Auslösen des Melders zurück zu setzten entweder kurz Stromlos machen oder kurz ausdrehen Eine akustische Signalisierung ist nicht im Rauchmelder verbaut ! ( Optional = Art-Nr 37-841-00098 ) Die leuchtende LED erleichtert die Lokalisierung des Melders, der den Alarm ausgelöst hat. Ist der Melder an einer schwer zugänglichen Stelle installiert und die LED nicht sichtbar ist,An den Melder die Blitzleuchte anschließen, die an einer sichtbaren Stelle montiert werden soll. Anschlussmöglichkeit für externe BetriebsanzeigeDetektionsart optische RaucherkennungDer optischer Rauchmelder zur Detektion von sichtbaren Rauchpartikeln.Er detektiert Testfeuer: TF-2 bis TF-5 gem. EN54-7 sowie TF-1 und TF-8 gem. ISO/TS 7240-9:2006.Zur Installation wird der Sockel mitgeliefertAbmessungen Melder B x H x T DM 108 x 42 mmRuhestromaufnahme des Melders 0,03 mA in Betrieb bei Auslösung dann ca. 25-30mA Kontakt  2+3 = Ausgang Schließerkontakt ( geschaltet DC Gleichspannung U-Ein = U-Aus ) Abschluß des Sockels buw. Rauchmelder siehe weitere Bilder ! Stromaufnahme max 25-30mAZertifikate EN-54-7:2000 +A1:2002 + A2:2006Spannungsversorgung 12V oder 24V ( Range = 10,5 bis 26 VDC )Gewicht 94gr + 52gr für den Sockel = ø106 x 26 mmBetriebstemperatur -25 bis +50 °CReinigung der optischen Kammer :  Die Melder kontrollieren den Zustand der optischen Kammer. Die Staubablagerung im Inneren der Kammer kann im Laufe der Zeit die Auslösung von falschen Alarmen verursachen. Es wird empfohlen, die optische Kammer mindestens einmal im Jahr zu reinigen z.B. mit Pressluft Spray oder Kompressor. Die Reinigung der Kammer ist notwendig, wenn die LED ihre Verschmutzung signalisiert = 1x Aufblitzen alle 30 Sekunden TIPP zum Betrieb mit externem Relais : wenn Sie keine BMZ verwenden sollten und ein Relais ansteuern möchten ist wie folgt zu vor zu gehen ( von uns bereits so getestet und überprüft mit 24VDC Relaisplatine mit Wechslerkontakt Art-Nr 92-477-02680 oder 24V 5K DIP Relais mit Schließerkontakt zum verlöten Art-Nr 47-826-00300 Info hierzu :  1) Klemmen Ausgang des Rauchmelder ist ein Open-Kollektor Ausgang ( geschaltet Masse ) 2) Ausgang für 5K ReedRelais-Platine = Klemme-3 = + ( Plus ) und Klemme-2 = - ( Minus ) 3) Bei Betriebspannung des Rauchmelder im Bereich 15,0....26Volt empfehlen wir ihnen das 5K Reed-Relais mit Schließerkontakt  mit Art-Nr 47-826-00300 ( von uns getestet ) + Wichtig unter 15V Spg. am RM geht das nicht !   Das kleine bedrahtet Reedkontakt-Relais arbeitet mit diesem Rauchmelder optimal im Range 20...26V      =====================Folgende kabelgebundene Rauchmelder sind wie folgt erhältlich Meder   Art-Nr 37-841-00096 =  Spannungsversorgung nur 12-24V DC kabelgebunden mit DC-Schaltkontakt   .                                           Multikriterien-Melder  über mehrere Sensoren ( Opt-Sensor EN54-7 ) und               .                                           zusätzlich thermischer Sensor ( Wärmeerkennung 54-65°C ) nach EN-54-5 und   .                                           Detektion der Verschmutzung der optischen Kammer .                                             weniger empfindlich gegenüber Falsch- und Täuschungsalarmen.---------------- Art-Nr  37-841-00092 = Spannungsversorgung 12-24V DC kabelgebunden mit DC Schaltkontakt  .                                          konventioneller optischer Rauchmelder ( Opt-Sensor EN54-7 ) als  .                                          Punkt-Rauchmelder für sichtbaren Rauchpartikel und mit  .                                          Detektion der Verschmutzung der optischen Kammer ---------------- Art-Nr  37-841-00090 =  Spannungsversorgung nur 12V DC kabelgebunden mit NC/NO Kontakt  .                                            konventioneller optischer Rauchmelder ( Opt-Sensor EN54-7 ) als   .                                           Punkt-Rauchmelder für sichtbaren Rauchpartikel und mit  .                                                Thermodifferential- und Thermomaximaldetektor ( EN54-5 ) und  .                                    Wabenfilter aus Edelstahl schützt die Kammer kleinen Insekten, kleinen Schwebepartikeln  .                                        DIP-Schalter für Auswahl des Betriebsmodus ( Rauch, Wärme, Multisensor beides ) .                                    DIP-Schalter für Auswahl des Relaiskontaktes ( Meldelinie NO oder NC Kontakt )  ------------------ Art-Nr 37-841-00094 =  Spannungsversorgung 12-24V DC kabelgebunden mit DC-Schaltkontakt   .                                            Max-Differential Maximal-Wärmemelder  ( Opt-Sensor EN54-7 )  und     .                                           zusätzlich thermischer Sensor ( Wärmeerkennung 54-65°C  ) nach EN-54-5  ----------------- Unsere Empfehlung hierzu je nach Installationsart  ( optionales Zubehör z.B. ) Installation externe 12V Versorgung und Relaiskontakt des Rauchmelders wird z.B. auf ein Wählgerät verdrahtet : Art-Nr 93-815-01123 = 220-240VAC Steckernetztzeil 12V DC 1000mA  für bis zu 64Melder Art-Nr 41-149-00265 = DC-Kupplung GERADE  5,50mm / 2,10mm -- Schraubanschluss --Art-Nr 47-826-00300 = Reedrelais mit NO-Kontakt wenn der Rauchmelder zwischen 15-26V betrieben wirdArt.Nr 47-826-00098 = Sirenesockel 24Volt DC ( Range 18V...28VDC mit 8-versch.einstelbaren Tönen )   Art-Nr 76-881-00600 = Analog TAE Wählgerät Fernquittierung einstellbarAlternativ Wählgeräte mit GSMArt-Nr 76-881-00850 = Telefon-Wählgerät GSM mit USB-Port ohne SIM Karte Alternativ statt Steckernetzteil : Art-Nr 93-808-03490 = Unterputz-Netzteil UP-Dosen 230V auf 12VDC  1,00A z.B. für 55mm DosenAlternativ Stromversorgung mit DC Notstromakku ( 24/7 tauglich ) Art-Nr 66-860-02040 = DC USV 230V gepuffert 12V DC 1A Leistung mit LED-Display  Art-Nr 33-175-00054 = 12V Bleiakku 7,2Ah Alternativ Stromversorgung mit AC Notstromunit ( 24/7 tauglich ) Art-Nr 66-860-02035 = DCUSV 230V gepuffert 12V DC 3A Leistung mit LED-Display Art-Nr 33-175-00054 = 12V Bleiakku 7,2Ah Alternativ BMZ = Brandmeldezentrale passend zur Brandmeldezentrale BMZ  4-Linien oder 8-LinienArt-Nr 79-100-00204 = Brandmeldezentrale BMZ  4-Linien je max 32Melder  LCD EN54 zertifiziertArt-Nr 79-100-00208 = Brandmeldezentrale BMZ  8-Linien je max 32Melder  LCD EN54 zertifiziertArt-Nr 79-100-00215 = Zubehör LAN-IP-ModulDank dem virtuellen IP-PC Bedeinfeld ermöglicht das Modul eine Ansicht des Zustandes des Brandmeldesystems per Fernzugriff.Dank dem Modul können Sie von einem beliebigen Ort in der Welt den Status der Zentrale via Internet prüfen.

Regulärer Preis: Ab 36,95 €
Rauchmelder 12-24VDC kabelgebunden Dif-Max-Brandmelder mit Sockel DC-Kontakt reiner Thermomelder
Rauchmelder 12-24VDC kabelgebunden Dif-Max-Brandmelder mit Sockel DC-Kontakt reiner Thermomelder

EN54 Rauchmelder - Brandmelder mit 12-24V Kabelanschluss und DC-SchaltkkontaktDer Differential-Maximal-Brandmelder  löst bei einer schnellen Temperaturerhöhung einen Alarm aus. Dazu wird ein Messleiter mit einem Vergleichsleiter verglichen. Zusätzlich wird das Überschreiten der Maximaltemperatur detektiert. Die Auslösekriterien entsprechen der A1R ( EN54-5 )Zur Installation wird der Sockel DB bereits mitgeliefert Abmessungen B x H x T DM 108 x 49 mm plus Sockelabm. Auslösekriterien 54°C - 65°C statisch oder Temperaturanstieg gemäß A1R Detektionsart thermische Branderkennung  Klasse gem. EN-54-5 (Thermosensor) A1R Max. statische Temperatur der Alarmmeldung 54°C Minimale statische Temperatur für Alarmmeldung 65°C Ruhestromaufnahme 0,03mA Stromaufnahme max 23mA Zertifikate EN 54-5: 2001  Spannungsversorgung 12V-24V ( Range 10,5 bis 26VDC Betriebstemperatur -25 bis +50 °C Kontakt  2+3 = Ausgang Schließerkontakt ( geschaltet DC Gleichspannung OC = U-Ein = U-Aus ) Abschluß des Sockels bzw. Rauchmelder siehe weitere Bilder ! einfache Montage des Melders in dem Basissockel ( bei uns anbei ! ) Belegungsplan siehe weitere Bilder ! Möglicher Anschluss dieser kabelgebunderen Rauchmelder sind vielfältig möglich z.B. :  A) eine optionalen 24V Signalgeber = ( einstellbarer Sirenesockel ) = Art-Nr 37-841-00098  B) Oder eine BMZ = Brandmeldezentrale = Art-Nr 79-100-00204 oder 79-100-00208 C) Alternativ freier Relaiskontakt = wenn Sie ein optionales externes hochohmiges 5-Kohm  24V DC-Relais = Art-Nr  92-477-02680 ( Platine mit zuschaltbarem Wechslerkontakt ) oder reines 5K 24V DIP-Relais ( nur Schließerkontakt ) zum verlöten = Art-Nr 47-826-00300  am Kontakt 2+3 nachschalten können Sie somit auch einen potentialfreien Kontakt weiter verarbeiten ... für Anwendungen aller Art ... sei es z.B. Smarthome, Industrie-, Torsteuerung o.ä. Anwendungen  ------------------ Folgende kabelgebundene Rauchmelder sind wie folgt erhältlich :   Art-Nr 37-841-00096 =  Spannungsversorgung nur 12-24V DC kabelgebunden mit DC-Schaltkontakt  .                                           Multikriterien-Melder  über mehrere Sensoren ( Opt-Sensor EN54-7 ) und              .                                           zusätzlich thermischer Sensor ( Wärmeerkennung 54-65°C ) nach EN-54-5 und  .                                           Detektion der Verschmutzung der optischen Kammer                             .               weniger empfindlich gegenüber Falsch- und Täuschungsalarmen.----------------- Art-Nr 37-841-00092 = Spannungsversorgung 12-24V DC kabelgebunden mit DC-Schaltkontakt   .                                          konventioneller optischer Rauchmelder ( Opt-Sensor EN54-7 ) als  .                                          Punkt-Rauchmelder für sichtbaren Rauchpartikel und mit  .                                          Detektion der Verschmutzung der optischen Kammer ----------------- Art-Nr 37-841-00090 =  Spannungsversorgung nur 12V DC kabelgebunden jedoch mit NC/NO Kontakt  .                                            konventioneller optischer Rauchmelder ( Opt-Sensor EN54-7 ) als   .                                           Punkt-Rauchmelder für sichtbaren Rauchpartikel und mit  .                                                Thermodifferential- und Thermomaximaldetektor ( EN54-5 ) und  .                                    Wabenfilter aus Edelstahl schützt die Kammer kleinen Insekten, kleinen Schwebepartikeln  .                                        DIP-Schalter für Auswahl des Betriebsmodus ( Rauch, Wärme, Multisensor beides ) .                                    DIP-Schalter für Auswahl des Relaiskontaktes ( Meldelinie NO oder NC Kontakt )  ------------------ Art-Nr 37-841-00094 =  Spannungsversorgung 12-24V DC kabelgebunden mit DC-Schaltkontakt  .                                            Max-Differential Maximal-Wärmemelder  ( Opt-Sensor EN54-7 )  und     .                                           zusätzlich thermischer Sensor ( Wärmeerkennung 54-65°C  ) nach EN-54-5  ----------------- Unsere Empfehlung hierzu je nach Installationsart  ( optionales Zubehör z.B. )  Installation externe 12V Versorgung und Relaiskontakt des Rauchmelders wird z.B. auf ein Wählgerät verdrahtet :  Art-Nr 93-815-01123 = 220-240VAC Steckernetztzeil 12V DC 1000mA  für bis zu 64Melder  Art-Nr 41-149-00265 = DC-Kupplung GERADE  5,50mm / 2,10mm -- Schraubanschluss -- Art-Nr 76-881-00600 = Analog TAE Wählgerät Fernquittierung einstellbar Alternativ Wählgeräte mit GSM Art-Nr 76-881-00850 = Telefon-Wählgerät GSM mit USB-Port ohne SIM Karte  Alternativ statt Steckernetzteil :  Art-Nr 93-808-03490 = Unterputz-Netzteil UP-Dosen 230V auf 12VDC  1,00A z.B. für 55mm Dosen Alternativ Stromversorgung mit DC Notstromakku ( 24/7 tauglich )  Art-Nr 66-860-02040 = DC USV 230V gepuffert 12V DC 1A Leistung mit LED-Display   Art-Nr 33-175-00054 = 12V Bleiakku 7,2Ah  Alternativ Stromversorgung mit AC Niotstromunit ( 24/7 tauglich )  Art-Nr 66-860-02035 = DCUSV 230V gepuffert 12V DC 3A Leistung mit LED-Display  Art-Nr 33-175-00054 = 12V Bleiakku 7,2Ah  Alternativ BMZ = Brandmeldezentrale  passend zur Brandmeldezentrale BMZ  4-Linien oder 8-Linien Art-Nr 79-100-00204 = Brandmeldezentrale BMZ  4-Linien je max 32Melder  LCD EN54 zertifiziert Art-Nr 79-100-00208 = Brandmeldezentrale BMZ  8-Linien je max 32Melder  LCD EN54 zertifiziert Art-Nr 79-100-00215 = Zubehör LAN-IP-Modul Dank dem virtuellen IP-PC Bedeinfeld ermöglicht das Modul eine Ansicht des Zustandes des Brandmeldesystems per Fernzugriff. Dank dem Modul können Sie von einem beliebigen Ort in der Welt den Status der Zentrale via Internet prüfen.

Regulärer Preis: Ab 28,95 €
Rauchmelder 12-24VDC kabelgebunden Multikriterienmelder mit Sockel DC-Schaltkontakt
Rauchmelder 12-24VDC kabelgebunden Multikriterienmelder mit Sockel DC-Schaltkontakt

EN54 Rauchmelder - Multikriterienmelder - Brandmelder mit 12-24V Kabelanschluss und DC-SchaltkkontaktDieser Multikriterienmelder ... Brandmelder verfügt über mehrere Sensoren Durch diese Kombination ist dieser Melder weniger empfindlich gegenüber Falsch- und Täuschungsalarmen. Detektionsart = optische und thermische Branderkennung die zur Erkennung von  Rauchpartikeln als auch zur Erkennung eines schnellen Temperaturanstiegs und Überschreitung einer maximalen Temperatur. Auslösekriterien 54°C - 65°C statisch oder Temperaturanstieg gemäß A1R ( EN54-5 ) Hinweis: In der Projektierung ist er wie ein Wärmemelder zu behandeln.EN 54–7 und EN-54-5 zertifiziertoptisch-thermischer Punktbrandmelderindividuelle LED-AnzeigeAnschlussmöglichkeit für externe BetriebsanzeigeZur Installation wird der Sockel ( Basissockel zum eindrehen des RM ) bereits mitgeliefert Abmessungen B x H x T DM 108 x 49 mm plus Sockelabm. Auslösekriterien 54°C - 65°C statisch oder Temperaturanstieg Max. statische Temperatur der Alarmmeldung 54°C Minimale statische Temperatur für Alarmmeldung 65°C Ruhestromaufnahme 0,04 mA Stromaufnahme max 23mA Zertifikate EN 54-5: 2000 + A1 : 2002 CPD 89/106/EWG über Bauprodukte / EMC 2004/108/WE über elektromagnetische Verträglichkeit; Spannungsversorgung 10,5 bis 26VDC ( 12VDC oder 24VDC )  Betriebstemperatur -25 bis +50 °C Kontakt  2+3 = Ausgang Schließerkontakt ( geschaltet DC Gleichspannung U-Ein = U-Aus ) Abschluß des Sockels bzw. Rauchmelder siehe weitere Bilder ! einfache Montage des Melders in dem Basissockel ( bei uns anbei ! )  Belegungsplan siehe weitere Bilder ! Möglicher Anschluss dieser kabelgebunderen Rauchmelder sind vielfältig möglich z.B. : A) eine optionalen 24V Signalgeber = ( einstellbarer Sirenesockel ) = Art-Nr 37-841-00098 B) Oder eine BMZ = Brandmeldezentrale = Art-Nr 79-100-00204 oder 79-100-00208C) Alternativ freier Relaiskontakt = wenn Sie ein optionales externes hochohmiges 5-Kohm  24V DC-Relais = Art-Nr  92-477-02680 ( Platine mit zuschaltbarem Wechslerkontakt ) oder reines 5K 24V DIP-Relais ( nur Schließerkontakt ) zum verlöten = Art-Nr 47-826-00300  am Kontakt 2+3 nachschalten können Sie somit auch einen potentialfreien Kontakt weiter verarbeiten ... für Anwendungen aller Art ... sei es z.B. Smarthome, Industrie-, Torsteuerung o.ä. Anwendungen  -----------------Folgende kabelgebundene Rauchmelder sind wie folgt erhältlich :   Art-Nr 37-841-00096 =  Spannungsversorgung nur 12-24V DC kabelgebunden mit DC-Schaltkontakt  .                                           Multikriterien-Melder  über mehrere Sensoren ( Opt-Sensor EN54-7 ) und              .                                           zusätzlich thermischer Sensor ( Wärmeerkennung 54-65°C ) nach EN-54-5 und  .                                           Detektion der Verschmutzung der optischen Kammer                             .               weniger empfindlich gegenüber Falsch- und Täuschungsalarmen.----------------- Art-Nr 37-841-00092 = Spannungsversorgung 12-24V DC kabelgebunden mit DC-Schaltkontakt  .                                          konventioneller optischer Rauchmelder ( Opt-Sensor EN54-7 ) als  .                                          Punkt-Rauchmelder für sichtbaren Rauchpartikel und mit  .                                          Detektion der Verschmutzung der optischen Kammer ----------------- Art-Nr 37-841-00090 =  Spannungsversorgung nur 12V DC kabelgebunden jedoch mit NC/NO Kontakt  .                                            konventioneller optischer Rauchmelder ( Opt-Sensor EN54-7 ) als   .                                           Punkt-Rauchmelder für sichtbaren Rauchpartikel und mit  .                                                Thermodifferential- und Thermomaximaldetektor ( EN54-5 ) und  .                                    Wabenfilter aus Edelstahl schützt die Kammer kleinen Insekten, kleinen Schwebepartikeln  .                                        DIP-Schalter für Auswahl des Betriebsmodus ( Rauch, Wärme, Multisensor beides ) .                                    DIP-Schalter für Auswahl des Relaiskontaktes ( Meldelinie NO oder NC Kontakt )  ------------------ Art-Nr 37-841-00094 =  Spannungsversorgung 12-24V DC kabelgebunden mit DC-Schaltkontakt  .                                            Max-Differential Maximal-Wärmemelder  ( Opt-Sensor EN54-7 )  und     .                                           zusätzlich thermischer Sensor ( Wärmeerkennung 54-65°C  ) nach EN-54-5  ----------------- Unsere Empfehlung hierzu je nach Installationsart  ( optionales Zubehör z.B. ) Installation externe 12V Versorgung und Relaiskontakt des Rauchmelders wird z.B. auf ein Wählgerät verdrahtet : Art-Nr 93-815-01123 = 220-240VAC Steckernetztzeil 12V DC 1000mA  für bis zu 64Melder Art-Nr 41-149-00265 = DC-Kupplung GERADE  5,50mm / 2,10mm -- Schraubanschluss --Art-Nr 76-881-00600 = Analog TAE Wählgerät Fernquittierung einstellbarAlternativ Wählgeräte mit GSMArt-Nr 76-881-00850 = Telefon-Wählgerät GSM mit USB-Port ohne SIM Karte Alternativ statt Steckernetzteil : Art-Nr 93-808-03490 = Unterputz-Netzteil UP-Dosen 230V auf 12VDC  1,00A z.B. für 55mm DosenAlternativ Stromversorgung mit DC Notstromakku ( 24/7 tauglich ) Art-Nr 66-860-02040 = DC USV 230V gepuffert 12V DC 1A Leistung mit LED-Display  Art-Nr 33-175-00054 = 12V Bleiakku 7,2Ah Alternativ Stromversorgung mit AC Niotstromunit ( 24/7 tauglich ) Art-Nr 66-860-02035 = DCUSV 230V gepuffert 12V DC 3A Leistung mit LED-Display Art-Nr 33-175-00054 = 12V Bleiakku 7,2Ah Alternativ BMZ = Brandmeldezentrale passend zur Brandmeldezentrale BMZ  4-Linien oder 8-LinienArt-Nr 79-100-00204 = Brandmeldezentrale BMZ  4-Linien je max 32Melder  LCD EN54 zertifiziertArt-Nr 79-100-00208 = Brandmeldezentrale BMZ  8-Linien je max 32Melder  LCD EN54 zertifiziertArt-Nr 79-100-00215 = Zubehör LAN-IP-ModulDank dem virtuellen IP-PC Bedeinfeld ermöglicht das Modul eine Ansicht des Zustandes des Brandmeldesystems per Fernzugriff.Dank dem Modul können Sie von einem beliebigen Ort in der Welt den Status der Zentrale via Internet prüfen.

Regulärer Preis: Ab 41,40 €